电话:021-62522001
作者:NCC电容 发布时间:2020-08-11 11:25:51 访问量:7452 来源:NIPPON CHEMI-CON
今天主要是介绍NCC电容陶瓷压敏电阻的常见使用案例和注意事项,选择TNR的规格时请注意这些条件。
1 电源浪涌保护
(1)布线举例

(2)规格选择举例

2 对半导体、IC感应开关的脉冲保护及接触火花的清除
(1)布线举例

(2)规格选择举例

(3)TNR的使用注意事项
a. 请注意2-1节所解释的“电源浪涌保护”部分。
b. 关于施加的浪涌次数与TNR的关系,请参照浪涌寿命特性曲线,选择满关足要求的TNR。
c. 请选择额定功率大于平均功率的TNR以确保能够吸收高频浪涌。
3 减少信号传输线之间的浪涌
(1)布线举例
(2)规格选择举例

4 各领域选型示例

5 使用时的注意事项
除以下注意事项之外,也请充分考虑电源浪涌保护页所记述的注意事项。
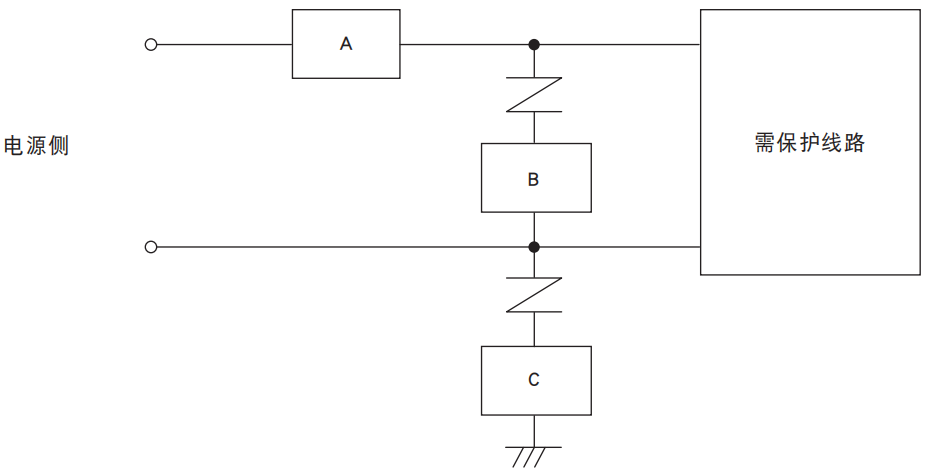
1. 当吸收超过 TNR 额定的浪涌时,TNR 可能发生短路或者损坏,所以请采取下图所示对策。

(1)将TNR安装在离过电流保护器(如:断路器、保险丝等)更近的位置,在TNR短路时立刻让其与电源端断开。
(2)如果不能在位置A安装过电流保护器,请安装在位置B。
(3)位置A或位置B的保险丝规格举例如下:

(4)如果TNR连接在功率线与地之间,需要在A位置使用漏电断路器或者在C位置连接TNR与热结合的温度保险丝。 同时,使用带有温度保险丝的GF系列TNR效果更佳。
2. 如果暴露在阳光下或者接近热源时,请确认TNR的工作温度范围。
3. 连接TNR的线请尽量短。如果连接线较长,连接线的电感会使电压下降,对于快速上升的浪涌的吸收效果也会下降。
taptap的下载是日本NIPPON CHEMI-CON(NCC电容|黑金刚电容)中国区的总代理。
相关资讯推荐:
声明:本文由樱拓贸易收集整理关于 黑金刚电容相关的《NCC电容陶瓷压敏电阻的使用案例和注意事项》,如转载请保留链接://m.paasos.com/news_in/597。
下一篇:介绍黑金钢电解电容的特点和用处