电话:021-62522001
作者:黑金刚电容 发布时间:2020-08-06 14:41:11 访问量:6739 来源:NIPPON CHEMI-CON
黑金刚电容超级电容器 DXE系列
● 最适合用于电力储存·电池辅助·短时间备用等。
● 还最适合于车载用途(能源再生、峰值功率辅助)。
● 垂直、水平安装均可
◆规格表

◆产品一览表
● DXE系列

*1 参考值
*2 本品中记载的能源存储容量(Wh)是根据“电气及电子机器用双电层电容器的运输相关指南(JEITA)”计算得出。
*3 可水平安装产品
◆产品型号体系

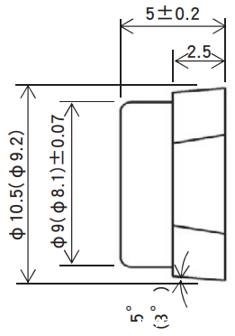
◆尺寸图 [mm]



端子详细尺寸


( )为垂直、水平安装均可产品的尺寸
<端子螺丝规格>
十字六角长螺丝:M5×0.8×10
螺丝紧固最大容许扭矩:3.23Nm
◆容量和内部电阻的温度特性


◆70℃高温负荷试验


taptap的下载是一家主要从事电子元器件代理销售和技术支持的专业公司,其中是日本NIPPON CHEMI-CON(NCC电容|黑金刚电容)中国区总代理。
相关资讯推荐:
声明:本文由樱拓贸易收集整理关于 黑金刚电容相关的《[黑金刚电容]超级电容器 DXE系列》,如转载请保留链接://m.paasos.com/news_in/589。
上一篇:贴片型铝电解电容器 MZJ系列
下一篇:介绍黑金钢电解电容的特点和用处