电话:021-62522001
作者:NIPPON CHEMI-CON 发布时间:2020-08-04 15:50:26 访问量:7429 来源:NCC电容
黑金刚电容贴片型导电性高分子混合型铝电解电容器 HXA系列
●通过采用混合型电解质,提升了可靠性,实现了高耐压化。
●保证125℃ 4,000小时。(纹波叠加)
●最适合用于高温・高可靠性用途(例如汽车电子零部件、通信基站电源等)。
●无卤对应品。
●符合AEC-Q200。详情请另行咨询。
◆规格表

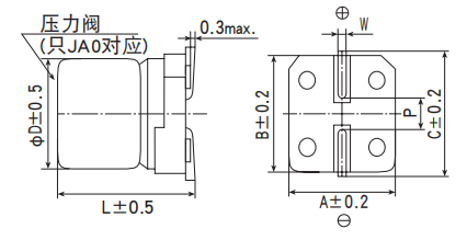
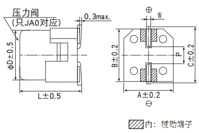
◆尺寸图[mm]
●端子代码 :A
●尺寸代码:HA0~JA0

●端子代码 :G (耐振构造)
●尺寸代码:HA0~JA0(带辅助端子)


◆产品型号体系

产品型号代码的详细介绍请参考「产品型号的表示方法 (导电性高分子混合型)」。
◆标示
标示例 80V22μF

●额定电压的产品标示

◆标准品一览表

□内为端子代码。
◆额定纹波电流频率修正系数
纹波频率与标准品一览表的规定值相异时、请使用小于乘以下表系数所得之值的值。
●频率修正系数
![]()
taptap的下载是一家主要从事电子元器件代理销售和技术支持的专业公司,其中是日本NIPPON CHEMI-CON(NCC电容|黑金刚电容)中国区总代理。
相关资讯推荐:
NIPPON电容 400V2200UF 黑金刚NCC电容RWE系列
声明:本文由樱拓贸易收集整理关于 黑金刚电容相关的《黑金刚电容贴片型导电性高分子混合型铝电解电容器 HXA系列》,如转载请保留链接://m.paasos.com/news_in/583。