电话:021-62522001
作者:NCC电容 发布时间:2020-08-03 11:29:17 访问量:7542 来源:黑金刚电容
黑金刚电容引线型导电性高分子固体铝电解电容器 PSG系列
●采用导电性高分子电解质,实现超低ESR、高纹波电流。
●保证105℃ 15,000~20,000 小时。
●额定电压范围:16V~35V、静电容量范围:56~2,700μF。
●优良的干扰吸收特性,对应电子设备的数字化、高频化。
●无卤对应品。
◆规格表
![[黑金刚电容]引线型导电性高分子固体铝电解电容器 PSG系列 [黑金刚电容]引线型导电性高分子固体铝电解电容器 PSG系列](/ueditor/php/upload/image/20200803/1596425455838560.png)
※当产生疑问的时候,用以下电压处理后测定。
电压处理:105℃下,连续加载电压120分钟。加载电压为额定电压。
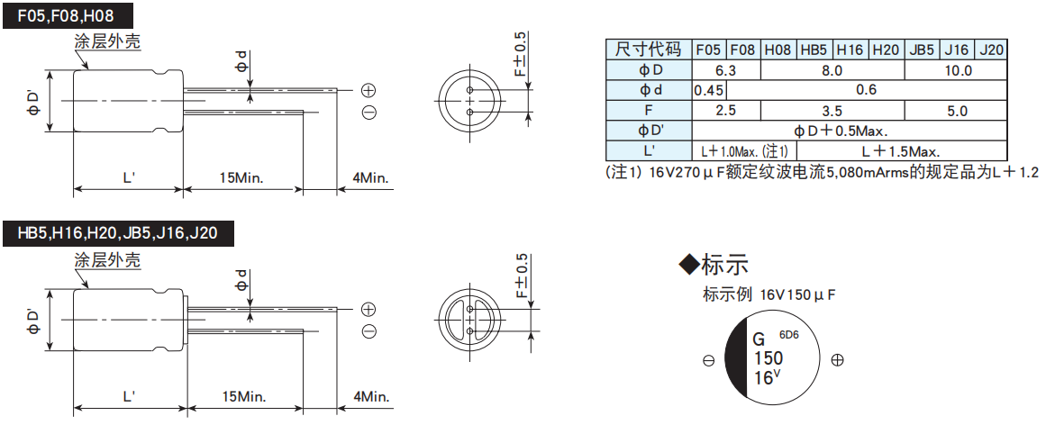
◆尺寸图[mm]
●端子代码:E
![[黑金刚电容]引线型导电性高分子固体铝电解电容器 PSG系列 [黑金刚电容]引线型导电性高分子固体铝电解电容器 PSG系列](/ueditor/php/upload/image/20200803/1596425931428493.png)
◆产品型号体系
![[黑金刚电容]引线型导电性高分子固体铝电解电容器 PSG系列 [黑金刚电容]引线型导电性高分子固体铝电解电容器 PSG系列](/ueditor/php/upload/image/20200803/1596425622269622.png)
产品型号代码的详细介绍请参考「产品型号的表示方法 (导电性高分子 )」。
◆标准品一览表
![[黑金刚电容]引线型导电性高分子固体铝电解电容器 PSG系列 [黑金刚电容]引线型导电性高分子固体铝电解电容器 PSG系列](/ueditor/php/upload/image/20200803/1596425727506603.png)
端子加工·编带代码在□□内。
◆额定纹波电流频率修正系数
纹波频率与标准品一览表的规定值相异时、请使用小于乘以下表系数所得之值的值。
●频率修正系数
![]()
相关资讯推荐:
声明:本文由樱拓贸易收集整理关于 黑金刚电容相关的《[黑金刚电容]引线型导电性高分子固体铝电解电容器 PSG系列》,如转载请保留链接://m.paasos.com/news_in/578。
上一篇:引线型铝电解电容器 KXE系列
下一篇:介绍黑金钢电解电容的特点和用处